Annonces immobilières

Toutes les annonces

Réseau des notaires

Nouvelle recherche Cette annonce m'intéresse

Maison centre-ville - A RENOVER

Prix : 332 100,00 
Dont honoraires 12 100,00 € TTC inclus (3,78 %) à la charge de l'acquéreur, soit 320 000 € hors honoraires.
Type de bien : Maison
Surface : 86,00m²
Localité : Saint-Brevin-les-Pins (44250)
Référence : 44188-83

Description du bien

Emplacement idéal, en plein centre-ville à deux pas du collège et du marché.
Charmante maison offrant un fort potentiel.
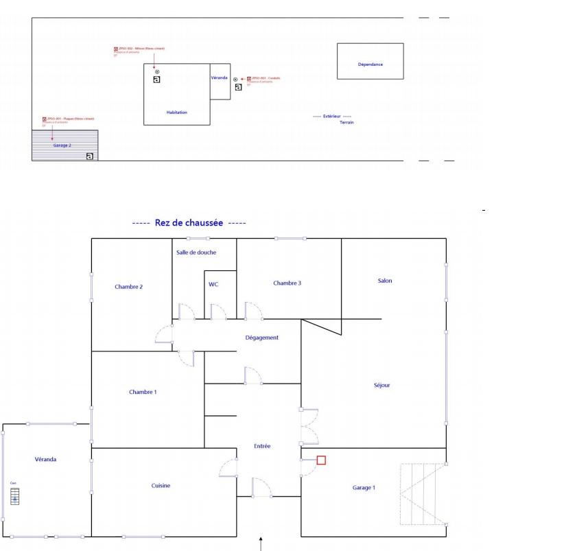
Une entrée avec placard, un salon-séjour avec cheminée, une cuisine, un dégagement desservant trois chambres, une salle d'eau, un wc. Une véranda avec une vue sur le jardin (le + : cave souterraine)
Attenant, un garage avec une belle hauteur sous plafond (3.10m).
Possibilité d'une quatrième chambre en transformant le garage attenant.
Deux garages indépendants (un en façade et un à l'arrière de la maison)
Grenier avec plancher.

Surface habitable : 86m² auquel peuvent s'ajouter dans le cadre d'une rénovation les surfaces de la véranda 18m² et du garage attenant 12,50m².
Garage devant : 19,25m²
Garage à l'arrière : 15m²

Idéal pour un projet de rénovation.
Proximité immédiate de toutes les commodités (écoles, commerces, transports ...etc)

Prix du bien : 332.100 €
Prix du bien hors honoraires : 320.000 €
Honoraires TTC : 3.78% soit 12.100 €
Honoraires à la charge de l'acquéreur

“Les informations sur les risques auxquels ce bien est exposé sont disponibles sur le site Géorisques: www.georisques.gouv.fr”.

Performance énergétique

logement extrêmement consommateur d’énergie logement très performant kg CO /m².an ² consommation (énergie primaire) émissions kWh/m².an 404 55 *
55 kg CO /m².an ² * Dont émissions de gaz à effet de serre peu d’émissions de CO émissions de CO très importantes ² ²
Logement à consommation énergétique excessive

Montant des dépenses théoriques annuelles d’énergie

Coût annuel (min) : 2540.00 €
Coût annuel (max) : 3510.00 €
Année de référence : 2023

Mandat

Téléphone mandataire : +33679527977
E-mail mandataire : Veuillez utiliser le formulaire de contact ci-dessous ...
Négociateur : Amandine ATTELE

Cette annonce m'intéresse

Captcha
* Les champs suivis d'un astérisque sont obligatoires.

Conformément à la loi n°78-17 du 6 janvier 1978 modifiée relative à l'informatique, aux fichiers et aux libertés, et au règlement européen 2016/679, dit Règlement Général sur la Protection des Données (RGPD), vous disposez d'un droit d'accès, de rectification, de suppression des informations qui vous concernent.
Navigateur non pris en charge

Le navigateur Internet Explorer que vous utilisez actuellement ne permet pas d'afficher ce site web correctement.

Nous vous conseillons de télécharger et d'utiliser un navigateur plus récent et sûr tel que Google Chrome, Microsoft Edge, Mozilla Firefox, ou Safari (pour Mac) par exemple.
OK